
| 產品分類 Product categories |
氣動轉子振動器 |
||
?性能介紹:
DAR系列氣動滾子振動器完善了我們現有的滾子振動器,特別是在混凝土應用方面。其新的設計特點使之成為更強勁的振動器,適合工作于更惡劣的工作環境中。
振動器的殼體由擠壓鋁加工而成,其中精密的鐵滾子在有高抗拉強度的鋼滾道上滾動。滾子保持在兩個由高抗沖擊青銅制成的端蓋之間。為發揮最好的性能,建議使用青銅燒結消音器。
氣路中必須安裝空氣過濾和油霧器以保證振動器的長工作壽命。應使用ISO VG5=5cSt/40℃的液壓油如殼牌Tellus C5油。
應用:
DAR系列高頻氣動滾子振動器,為移動細小物品提供了新方法。由于為氣動,所以可以通過調節氣壓來控制頻率。應用實例如下:
|
|
|
1 |
擠壓鋁合金殼體 |
6 |
污物收集槽 |
|
2 |
高抗拉鋼滾道 |
7 |
進氣孔 |
|
3 |
鑄鐵滾子 |
8 |
排氣孔 |
|
4 |
特制青銅端蓋 |
9 |
底座安裝孔 |
|
5 |
油槽 |
|
|
|
|
|
|
|
性能參數表
|
型號 |
頻率 V.P.M |
測得的離心力 |
空氣消耗/分鐘 | ||||||||||||
| 2Bar | 4Bar | 6Bar |
2Bar=29PSI |
4Bar=58PSI |
6Bar=87PSI |
2Bar=29PSI | 4Bar=58PSI | 6Bar=87PSI | |||||||
| 29PSI | 58PSI | 87PSI | N | LBS | N |
LBS |
N | LBS | Ltr. | CF | Ltr. | CF | Ltr. | CF | |
| DAR-2 | 36.000 | 38.000 | 38.000 | 2,220 | 500 | 3,380 | 760 |
4,090 |
920 |
70 |
2.5 |
140 |
4.9 |
200 |
7.0 |
| DAR-3 | 27.000 | 32.000 | 32.000 | 2,720 | 612 |
4,560 |
1,026 |
6,050 |
1,361 |
100 |
3.5 |
200 |
7.0 |
300 |
10.6 |
| DAR-4 | 18.000 | 11.500 | 25.000 | 2,360 | 531 | 4,610 | 1,037 |
6,690 |
1,505 |
120 |
4.2 |
250 |
8.8 |
360 |
12.7 |
| DAR-5 | 9.500 | 15.000 | 16.500 | 1,680 | 378 | 4,640 | 1,044 |
7,200 |
1,620 |
130 |
4.6 |
270 |
9.5 |
390 |
13.8 |
| DAR-6 | 7.800 | 10.000 | 12.000 | 4,370 | 983 | 6,860 | 1,544 |
10,300 |
2,317 |
170 |
6.0 |
320 |
11.3 |
470 |
16.6 |
| DAR-7 | 8.000 | 9.800 | 11.500 | 5,870 | 1,320 | 9,500 | 2,137 |
12,000 |
2,700 |
180 |
6.4 |
350 |
12.4 |
500 |
17.7 |
![]() |
本表數據在重型實驗臺上取自Kistler 3軸測力計。 當安裝剛性差時頻率和力值會減小。
|
本公司保留在不事先通知的情況下修改或撤消任何指標或產品的權利,并且不因此而承擔任何責任。
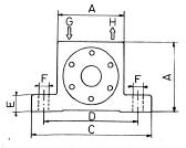
尺寸表
| 型號 | A | C | D | E | F | G/H* | 重量 | ||||||||
| mm | inch | mm | inch | mm | inch | mm | inch | mm | inch | mm | inch | 英國標準管螺紋 | kg | Lbs | |
| DAR-2 |
50 |
1.97 |
30 |
1.18 |
86 |
3.38 |
68 |
2.68 |
12 |
0.47 |
7 |
0.27 |
1/8” |
0.370 |
0.82 |
| DAR-3 |
65 |
2.56 |
36 |
1.42 |
113 |
4.45 |
90 |
3.54 |
16 |
0.63 |
9 |
0.35 |
1/4” |
0.760 |
1.68 |
| DAR-4 |
80 |
3.15 |
40 |
1.57 |
128 |
5.04 |
102 |
4.00 |
16 |
0.63 |
11 |
0.43 |
1/4” |
1.270 |
2.80 |
| DAR-5 |
100 |
3.94 |
52 |
2.05 |
160 |
6.30 |
130 |
5.12 |
20 |
0.79 |
13 |
0.51 |
3/8” |
2.450 |
5.40 |
| DAR-6 |
120 |
4.72 |
62 |
2.44 |
194 |
7.64 |
152 |
6.00 |
24 |
0.94 |
17 |
0.67 |
3/8” |
4.700 |
10.35 |
| DAR-7 | 120 |
4.72 |
77 |
3.03 |
194 |
7.64 |
152 |
6.00 |
24 |
0.94 |
17 |
0.67 |
3/8” |
5.700 |
12.55 |
| |
|