
| 產品分類 Product categories |
直線活塞振動器FAL8|FAL18|FAL25|FAL35 |
||
性能參數表
|
型號 |
頻率 V.P.Mx1000 |
測得的離心力 |
|||||||
| 2Bar | 4Bar | 6Bar |
2Bar=29PSI |
4Bar=58PSI |
6Bar=87PSI |
||||
| 29PSI | 58PSI | 87PSI | N | LBS | N |
LBS |
N | LBS | |
| FAL-8 | 2.05 | 2.9 | 3.4 | 12 | 2.7 | 30 | 6.7 |
42 |
9.5 |
| FAL-18 | 1.42 | 1.9 | 2.25 | 60 | 13.5 |
140 |
31.5 |
205 |
46.2 |
| FAL-25 | 1.13 | 1.55 | 2.02 | 120 | 27.0 | 265 | 59.7 |
530 |
119.4 |
| FAL-35 | 1.24 | 1.55 | 2.01 | 205 | 46.2 | 340 | 76.6 |
655 |
147.5 |
|
工作扭矩 |
每分鐘空氣消耗 | |||||||||||
| 型號 | 2Bar
Kg.cm |
29PSI
Lbs.ft |
4Bar
Kg.cm |
58PSI
Lbs.ft |
6Bar
Kg.cm |
87PSI
Lbs.ft |
2Bar
Ltr. |
29PSI
CF |
4Bar
Ltr. |
58PSI
CF |
6Bar
Ltr. |
87PSI
CF |
| FAL-8 | 0.05 | 0.0003 | 0.06 | 0.0004 | 0.06 | 0.0004 | 8 | 0.28 | 18 | 0.035 | 30 | 1.04 |
| FAL-18 | 0.45 | 0.0030 | 0.54 | 0.0036 | 0.54 | 0.0036 | 20 | 0.7 | 40 | 1.4 | 60 | 2.1 |
| FAL-25 | 1.14 | 0.0077 | 1.37 | 0.0092 | 1.26 | 0.0085 | 40 | 1.4 | 110 | 3.83 | 155 | 5.4 |
| FAL-35 | 2.00 | 0.0134 | 2.20 | 0.0148 | 3.00 | 0.0202 | 75 | 2.6 | 220 | 7.65 | 350 | 12.2 |
![]() |
本表數據在重型實驗臺上取自Kistler 3軸測力計。 當安裝剛性差時頻率和力值會減小。
|
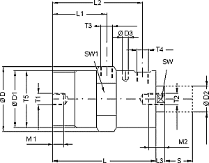
尺寸表
| 型號 | FAL-8 | FAL-18 | FAL-25 | FAL-35 |
| L | 91 | 117 | 139 | 140 |
| L1 | 47.0 | 64.5 | 75.0 | 73.0 |
| L2 | 74.0 | 99.5 | 121.0 | 122.0 |
| L3 | 5 | 8 | 8 | 12 |
| S | 27 | 38 | 42 | 43 |
| D | 25 | 53 | 69 | 88 |
| D1 | 20 | 48 | 60 | 78 |
| D2 | 8 | 18 | 25 | 35 |
| D3 | 8 | |||
| T1 | M6 | M10 | M16 | M16 |
| T2 | M5 | M10 | M16 | M16 |
| T3 | M5 | G1/8" | G1/4" | G1/4" |
| T4 | M5 | G1/8" | G1/4" | G1/4" |
| T5 | M20x1.5 | |||
| M1 | 10 | 13 | 14 | 14 |
| M2 | 15 | 22 | 23 | 25 |
| SW | 7 | 14 | 22 | 27 |
| SW1 | 14 | 50 | 65 | |
| 外殼(kg) | 0.051 | 0.045 | 0.780 | 1.130 |
| 活塞(kg) | 0.036 | 0.245 | 0.560 | 1.410 |
| 總重(kg) | 0.100 | 0.730 | 1.410 | 2.560 |
| |
|